回路設計から実装までの
ワンストップサービスを
是非お試しください。
お客様に大変喜ばれております回路設計から実装までのワンストップサービスを是非お試し下さい。信頼度の高い設計品質とレスポンスの良いご対応が評価を頂いております。
お客様に大変喜ばれております回路設計から実装までのワンストップサービスを是非お試し下さい。信頼度の高い設計品質とレスポンスの良いご対応が評価を頂いております。
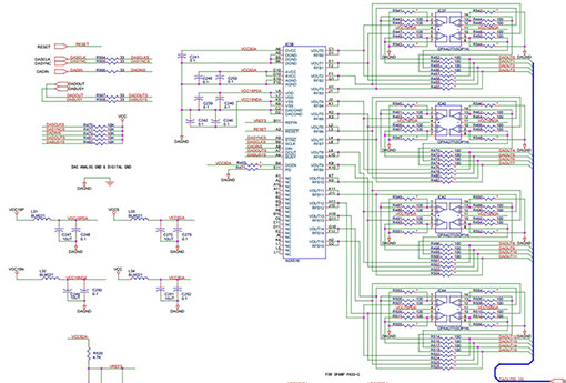
手書きの回路図を図研のCR-5000SystemDesignerでCAD入力致します。
資産である貴社の回路図をCADに落とす手間を省きたいお客様のご要望にお応えします。
企画の段階からお話を伺い、ご希望のスペックに合わせた回路設計をさせて頂くことが出来ます。 質の高い技術力で御社のサポートをさせて頂きます。具体的な開発例は次の通りです。
● 三相インバーターモーターの制御回路と電源回路設計
● FPGAを使用したデジアナ回路設計
● 長距離映像伝送システム回路設計
● 画像認識システム回路設計
● メモリー評価回路設計
● 多電圧源回路設計
● 各種治具回路設計
その他様々なご要望にお応え致します。

簡単な治具として実装した基板を筐体に組み込みたいというご要望がございましたら是非ご相談下さい。
板金設計と筐体製作をお手伝いさせていただきます。

評価時に必ず必要になるハーネスの試作も承ります。数本からでも製作可能です。

ご要望に応じてユニバーサル基板に電子部品を搭載し回路を作成致します。
1枚だけしか要らないので基板を作成するほどのことではないという場合にご検討下さい。

回路設計からお引き受けする場合はハードウェア開発だけでなく、FPGAのソフトウェアや通信用のソフトウェアも併せてご対応させて頂くことで品質管理も性能出しも一括して責任を持ってご対応させて頂きます。
製品の品質検査をするためのシステムを開発し、電源・制御・フロントパネル等を筐体の中に収められるような箱を製作した事例です。併せて組込み配線も行い製品にしてもおかしくないレベルの品質検査用システムを納品いたしました。
ベースはアルミ板で製作して、基板を固定する事にし、上面は基板を保護するためにアクリル板で開閉できる蓋を作成。落下物や誤操作を防ぐための治具を製作した事例です。